SM-8.712-742.0
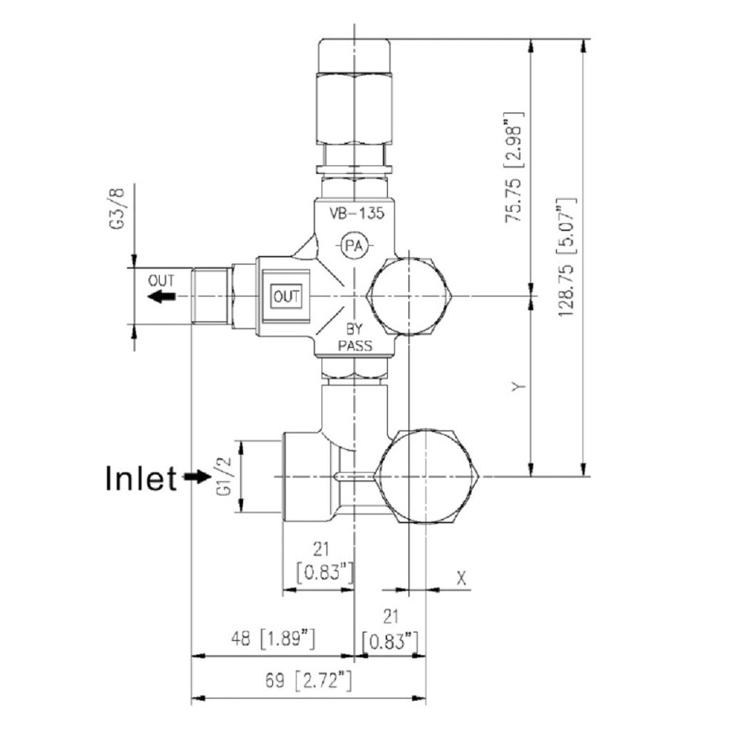
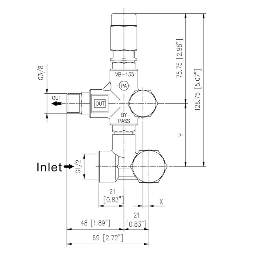
PA VB-75 Unloader Valve - Trapped Pressure (Banjo Bolt-On)
Banjo unloaders are very compact and bolt to the inlet and outlet of the pump.
3500psi Maximum Rated Pressure
**Caution**
Unloader valves are one of the most important safety devices on a pressure washer system. Failure to install and set the unloader properly could result in a very dangerous situation causing severe damage to the pump and possibly the operator.
Professional installation is required.
Knowledgeable Sales Team
Full Service Center - Metro Vancouver Area
Support Staff Available
Fast efficient shipping
Custom Builds and Installations
We use cookies on our website to give you the best shopping experience. By using this site, you agree to its use of cookies.